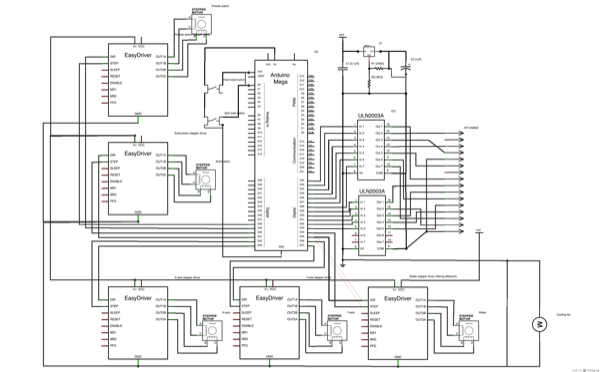
![]() A powder printer Pricerange: €1000 Max build-size: 12 x 12 x 12 cm Resolution: 96 DPI Assembly time: 6-8 hours http://pwdr.github.com/ ![]() ![]() ![]() ![]() ![]() ![]() ![]() ![]() ![]() ![]() ![]() ![]() ![]() ![]() ![]() ![]() ![]() ![]() ![]() ![]() ![]() ![]() This work is licensed under a Creative Commons Attribution-NonCommercial 3.0 Unported License. 2012 University of Twente, The Netherlands |
Powder printers >






















