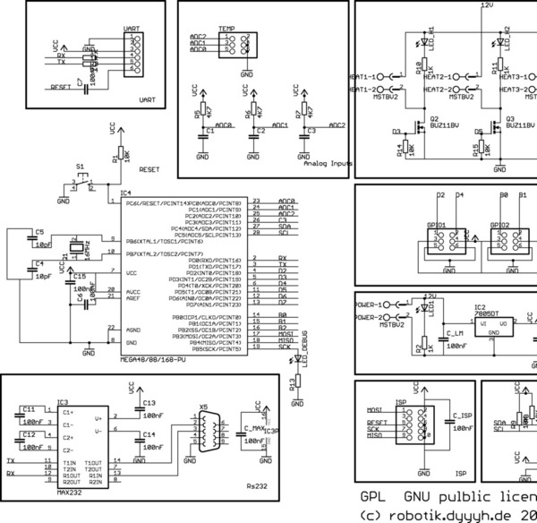
![]() Pricerange: $ 00.00 Assembly time: 6-8 hours http://robotik.dyyyh.de/ http://robotik.dyyyh.de/cnc.html http://www.thingiverse.com/thing:6480 Temperatur controller / Extruder Board for EMC2 Reprap over Rs232 ![]() ![]() |
Electronics > Extruder controllers >
|
Electronics > Extruder controllers >
EMC2 Extruder Board
|
Sign in|Report Abuse|Print Page|Powered By Google Sites