3D printer list
Search this site
Home
Cartesian (xyz) printers
Delta 3D printers
SCARA printers
Extruders
Hot ends
Inspiration corner
Other machines
Home
3D Resources
Bed leveling / Calibration
Easy to adjust bed
Force Sensing Resistors
Kossel auto bed leveling
Kossel hotend as z-probe
Marlin - auto bed leveling
Rostock Max Calibration using .91 Repetier
Calculators
Delta calculators
Filament drive math
Magnet calculators
Ceramics
Ceramic mixtures
Clay
Faience
Porcelain
Printing ceramics
Concrete
BetAbram
Concrete
Minibuilders
Construction
Actobotics
Contraptor
DIY T-slot nuts
Getting started with T-slot extrusion
Makeblock
Makerbeam
Microrax
Misumi
Multiplo
Openbeam
Vibrationmounts
Construction tools
Carbide cutting wheels
Hobbed bolt on a Drillpress
Hobbed bolt on a Lathe
Hobbing gristle
KNRLR
Extruders
Bowden extruders
Airtripper's Bowden Extruder V3
Airtripper's direct drive bowden extruder
Arcol extruder
Bulldog extruder
CB extruder
Compact Bowden Extruder
Drew's Planetary Extruder
EZStruder
Flying extruder
MiniExtruder
Minimalistic Maki ZenDrive
Minimalistic Mk7 Replacement Extruder
MM-CNCs moveable bowden
New Ultimaker Extruder
Rich's bowden geared extruder
Rollerstruder
Wasp extruder
YRUDS extruder
Extruder gear performance test
Glue Gun extruder
HPX Extruder
LPA Schokostruder
Multi color extrusion
Non-bowden extruders
28BYJ-48 stepper based extruder
Accessible Wade's Extruder
Adrian's Geared Extruder
Double barrel extruder
EVAstruder
Flashforge Extruder MK7 plus
Greg's Wade reloaded
K Extruder
Kraken
lawsy's mk4 extruder replacement
Makergear plastruder
Micro extruder
Micron 3dp all metal extruder
Mini extruder
MiniFala Extruder
Mix Extruder G1
Nophead extruder
Printmate extruder
QU-BD Extruder
QU-BD X-truder
Quick-Fit Extruder
Recreus direct drive
RepRap Universal Mini Extruder
RepRapPro Mendel Mini Extruder
SnakeBite extruder for 3mm
TF3D Extruder
Thermoplast extruder 2.0
U-Design Extruder
V-struder
Wade's Geared Extruder
Wade's Standard Extruder
Paste extruders
2PrintBeta paste extruder
Baricuda
Cheese spray extruder
Claystruder 2
Frostruder
Moineau Chocolate Extruder
Printrbot Paste Extruder
RJ Paste Extruder
Simple paste extruder
SupportExtruder
Toolhead II
Unfold auger extruder
Universal Paste Extruder
Peristaltic Pump Extruder
Syringe extruders
Syringe Pump
Valved Extruder
Filament
Finetuning print temperature
Making PLA flexible
Other plastics
PCL (Polycaprolactone)
Plastics
ABS
Carbon Fiber
CFPLA (Carbon Fiber PLA)
Color dye
Conductive ABS
filaflex
flexPLA
Graphene / Graphite / Carbon
HIPS
HTPLA (High Temperature PLA)
Igus tribo-plastic
LAYWOO-D3
Metalfill Bronze
PA Polyamide / Nylon
PC (Poly Carbonate)
PCABS (Poly Carbonate ABS)
PETT
PLA
PS
PVA
Sugru
Sugru
T-glase
Thermochrome EcoPLA
Transparent
Ultra fine particle emissions from desktop 3D printers
UV sensitive PLA
Woodfill
Smoothing ABS parts
Smoothing PLA parts
Universal Filament Identification System
Vendors
XTC3D
Find a printer near you
Firmware
4pi-firmware
5Dprint
aprinter
Arduino-gcode-interpreter
Grbl
Makerbot
Marlin
Repetier Firmware
Sailfish
sjfw
Smoothieware
Sprinter
Teacup
TxapuCNC RX
Hot ends
Airwolf Buda
Aluhotend
arcol.hu
BfB
Buckrap hot end
Budaschnozzle
CB head
CB heating block
CB hotend
Cheesy hot end
Chess
E3D hotend
E3D v6
Fan duct by Maurits
Freesculpt hot-end
Gas nozzle hot end
Genie MK I
Genie MKII
GoCNC hotend
GRRF nozzle
Hexagon
Hotend for Nylon
hotends.com
How to make your hotend
Huxley hot end
Induction heater
J Head
J Head MKV-B Hot-End
J-head Lite
J-head-IV-clone
JGR hot end
Kikailabs hotend
Laszlo v3.0
LeoNozzle
Makergear
Mbot nozzle
Mbot stainless barrel
Merlin
Metal MB hot end
Mini J Head Nozzle
Mixshop hotend
Modular grrf.de hotend
Needle nozzle
Nozzle Tip Cleaning Tool
opiliones hotend
Pico
PID tuning
PID Autotune (Lulzbot/Lincomatic)
PID Autotune (RepRap/Soliwiki)
PID Autotune (Ultimaker)
Power-Hotend
Prometheus hotend
Prusanozzle
Recreus hotend
RepRap hot end
Reprapbr tutorial
reprapobchod hotend
ReSCo hotend
roboforum.ru
SeeMeCNC Hot-end
SG2
Silica Cement
Solidoodle hot end
Sumpod hotend
TC hotend
The Kraken
Trinity MetalMagma
Ubis
Ultimaker hotend V2
Unknown Hotends
Watercooled hotend
Inspiration corner
3D Light paintings
3D Printing for Dummies
Additive wire laying
Aluminium casting
ArduPhone
AT89C2051/4051 Stepper Motor Interface
AVR Programming shield
BE maker kit
Better stepper drivers
Bondo
Capacitive 3D controller
chinese inspiration
CNC build houses
Controlling computer fans
Conveyerbelt 3D print
Current sensing
Delrin on Aluminum sliders
Drawing Machine
DYI EL panels/displays
Fast 2 axis system
Foam molding
Heat resistive materials
Heatit
IGBT driven induction heater
Inkjet technology
JK Devices Arduino compatibles
Kinetic Sand
Linear Actuator with compensation
Magnetic printed objects
Make wooden linear slides
Metal engraver
Motion sensing
OpenPicus
Outsourcing to the bees
Printed food, and printing with plastic that is made of food.
Printer in a flightcase crate
Printing a chair
Printing electronics
Printing Epoxy
Printing prosthetic limbs
Printing Records
Printing weapons
Quick comparison: pro versus low cost FDM 3D printers
Recycling
RePaper
Revolution: Grafitty bicycle
Sandblasting finish
Shaping flower foam
SliderPLUS (Compact slide)
Some more thoughts
Some toughts
Superstrong fishingline muscles
Tehnoetic TET-N150 Atheros WiFi
Ultimate Guide to 3D Printing
Using 3D prints for embossing
Using bio materials
Interesting facts
Clean discolored ABS
Strength of 3D printed parts
Mechanics
Allen bolt magnetic joint
ALLIGATOR Linear Guide
Anti backlash M5
Ball joints
Belt and Pulley
Bronze bushings
Cable-based linear slide
Cheapskate
DryLin
Graphite bushings
Hiwin
innRDRive
Kerk Micro Lead Screw
Makerslide
Making linear slides accurate
Metric / Imperial table
NEMA17 Stepper Mounting Bracket
Openrail
Perlon thread
Printable pulley
Printed bearings
Printed Leadscrew
Printed recirculating carriage
printed universal joints
RatRig
Simple anti-backlash system
Simple axial couplers
Sintered bushings
Slide screw
Stepper Motors
Threadless Ball Screw
Uni-Guide
Open Hardware Licenses
CERN OHL
Public domain
TAPR OHL
Parts
Print farms
Robohand farm
Ultimaker farm
Printbed
3M ScotchBlue
ABS Juice
Aluminium MK2A Heated Bed
Aqua-Net Super Hold hair spray
BuildTak
Flex PCB heaters
FR4 (fiberglass epoxy)
Hot Film
Kapton Tape
MK2B Dual Power Heated Bed
PVA glue
Resin
Software
Arduino Interfaces
Ardublock
Arduino IDE
Codebender
Minibloq
Modkit
S4A (Scratch for Arduino)
CAD Editors
AutoCAD
Blender
CoffeeSCAD
DraftSight
FreeCAD
HeeksCAD
Inventor
LibreCAD
NaroCAD
Netfabb
Open Cascade
OpenSCAD
QCad
Sketchup
SolidWorks
VariCAD
Varkon
CAM
AMF Editor
Arduino GCode Interpreter
CamBam
CNC Code Generator
CNC controller (Android)
cncDroid
Coordia
Cura
DroidProto
Dronus
EMCRepRap
G-code tools (For Inkscape)
gcnccam
GCodePrintr
GCodeSimulator (Free) (Android)
GRBL Ctrl
GRBLGUI
GRBLUI
HAL2Arduino
Icosi
InkCut
KCAM
KISSlicer
LinCutter
LinuxCNC-RepRap
Linuxcnc.org EMC2
Mach3
Machinekit
matterQ
Octoprint
One step conversion of an image to gcode
Printrun
PyCAM
PyCAM
Repetier host
Repetier server
ReplicatorG
Reprap host
RepSnapper
RoboCut
Simplify3D
Skeinforge
Slic3r
STEP-NC
TinyG CNC Console
TurboCNC
Tux Plot
TxapuCNC_TX
Universal-G-Code-Sender
vec2ngc
VisPrinter
Duinos
Operating Systems / Distro's for ARM
Linux-sunxi.org Bootable OS images
Picuntu
PICAXE
LinAXEpad
PICAXE and Kate
PICAXE forum
Spindles
Mr. Kim robotics spindle
Thank you!
Tips & Tricks
Better filament drive
Ceramic insulation strip
Hack an UBEC
Large ABS prints
Welding PLA
Tutorials
Analog servo principle
Arduino basics tutorial (video)
Arduino tutorials (website)
Blender for 3D printing
Blender precision modelling
FreeCAD tutorials
FreeSoftware G-code toolpath
Gcode
GCode tutorials
H-bridge principle
Lasercut design in Inkscape
Making gears
More on RC servo motors
OpenSCAD tutorial (webpage)
Robot arm tutorial
Stepper motor basics
3D models
3D scanners
123D skaner
2.5D Photography
3D Laserscanner
Almost Everything You Always Wanted to Know About 3D Scanning* *(But Were Afraid To Ask)
BCN3D Scanner
David
Fabscan
FabScanCUBE
Flatbed 3D
Fuel3d
Harvester
Junk23D
Laserscanning.org.uk
LazeeEye
Lucida 3D Laser Scanner
Lynx A camera
Makerscanner
Moedls
Muellerr's 3D Scanners
Photon
ProFORMA 3D scanner (no laser)
Pylatscan
Robocular 3D Scanner
Scanalicious
ScanDraiD aka grape3D
Sense
Simple 3D scanner
SplineScan
Sskanect
Triangles
Vinvin's 3D scanner
Articulated (5 and 6 Axis)
5 axis serial bot
Small 6 axis with steppers
uArm
Books
Cartesian (xyz) printers
3DP1000
3DPrintMi
3uP
Active X1
Arburg Freeformer
Artifex
Asterid
Aurora
Aurora 3D
BCN3D
BigRep ONE
Bonsai Lab. BS01 Mini
BQ Prusa i3 Hephestos
ByFlow
BYQ
Cagelli C-Print
Candy
ChefJet
CHIMAK 3D
Connect XL
CORE XT
CraftBot
CubeSpawn
CUBO
D3D EVO
Dagoma
David
DeeGreen
Deskreater
DiamondMind
Dremel 3D20-01 Idea Builder
Duplicator 5
EchoRap
EinStart
Erectorbot
Euclid
EWaste 3DP
F3d
Fabmaker E1
Fabrap
Flashforge Dreamer
Flexa
Fluid-InFlux
Folding RepRap
Foodini
Free Dee Pee
Funbot i1
Gaminu
Gate
Genie 3D
Genie i3
gMax
H-Bot
AluXY
Another approach to H-bot
Bot of the Cloth
CNC234 H-bot
Core XY (H-bot)
Doboz-2 (H-Bot)
Dualwire-Gantry (DW-G)
FABtotum (CoreXY-Z)
Imprimindo3d (H-Bot)
InventOne
Joey 3D printer
JV Core-XY
Linear CoreXY
Lion 3D
LMakerXY
PrntQB V2
RepRap-XY
Sli3DR (AU-bot?)
Smartcore
The Buccaneer (XY-Z)
UConduit (H-Bot)
Xmaker
HaciMendel
Haeckel
HAGE 3Dp-A2
HD^2
Helix
HercuLien
I3D Playmaker
Iceman3D D100
Iceman3D D150
Iceman3D D400
ImproTable 1000
Isis One
ixelr8 3D clay printer
Julia
Kiwi
klic-n-print
Lathon
Lautr3k
Luna
MakerMex MM1
Mamba3D
Mankati
Markforged
Maxifab
Maximus XL
mebotics microfactory
MH3000
Micro 3D (XYZ)
MilkRap
MOD-t
Moorobot C2545
Moorobot D
MooRobot W
Moorobot Y
Mostfun Sail
NEO
Nettmix
NVPrinter
Omni3d Architect
Ormerod
P3Steel
Pangu i3
Panowin F3CL
Phantom
Phoenix
PieceMaker
Pirx 3D
printMATE 3D
Printupy
Prix 3D
PRN3D
Profabb 2
Profabb Gate
PRotos
PVC SnapRap
QU-BD One Up
QU-BD Two Up
QuadRap
QwikFab Beast
Rapide Lite
Rapide One
Rappy
RecRepRap (Margulis)
Renkforce RF1000
Repemaker
Reptor3d
RoboBeast
Robox
RouterStrap
RoVa-Paste/Food
Sethi3d
SibRap
Sid
Smartrap (XZ-Y)
Smartrap upgrades
Something3D 1D
Sprint
Status
Studio Under
Tekma3D
The Dreamer
Titan
TOME
Tool3d
Trylo
Type A Machines Series 1
Ulti-Replicator 2
Unknown printers
UPBOX
UUmaker Pocket 3D
Vector PLA
Vis
Voladora
Wanhao Duplicator 4
Wideboy
Wilson
Wire suspended bots
Wolfy
Woodframed Mendel
X head YZ bed
Afinia H-Series (X-YZ)
Beethefirst (X-YZ)
Buildabot Revolution (X-YZ)
Come3D (X-YZ)
Cube (X-YZ)
Cube 3 (X-YZ)
Eventorbot (X-YZ)
Ez 3D printer (X-YZ)
Felix 2.0 (X-YZ)
Felix 3.0 (X-YZ)
Gutenberg 3D (X-YZ)
iRapid compact (X-YZ)
Iron3D (X-YZ)
Printxel (X-YZ)
The Glacier Summit (X-YZ)
UP Plus 2 (X-YZ)
UP! Plus (X-YZ)
XY head Z bed
3D Builder (XY-Z)
3D Touch
3DTouch (Double Head) (XY-Z)
3DTouch (Single Head) (XY-Z)
3djoy (XY-Z)
3ntr A2
3ntr A4 (XY-Z)
Accucraft S150 (XY-Z)
AW3D XL (XZ-Y)
BOB (XY-Z)
Boxed Reprap (XY-Z)
Brahma3 Anvil (XY-Z)
Cartesio
Cartesio 0.8 (XY-Z)
CartesioLD (XY-Z)
Crews Ryozo (XY-Z)
CubeX (XY-Z)
Cyrus (XY-Z)
da Vinci 1.0 (XY-Z)
Darwin (XY-Z)
Ditto (XY-Z)
Dream maker (XY-Z)
Easy3DMaker (XY-Z)
Essential Dynamics
Imagine (XY-Z)
Extru3D V2 (XY-Z)
Fab@home (XY-Z)
FabMate (XY-Z)
FABtotum (XY-Z)
Foamcore CNC (XY-Z)
Freesculpt (XY-Z)
Freesculpt Colani
Gigabot (XY-Z)
HYREL E1 / E2 (XY-Z)
HYREL E3 / E4 / E5 (XY-Z)
Kikai T125 (XZ-Y)
Konark (XY-Z)
Kühling & Kühling (XY-Z)
LinkFac (XY-Z)
LinkFac M2 (XY-Z)
Lionhead Bunny (XY-Z)
Litto (XY-Z)
Makerblocks 3D printer (XY-Z)
Makerbot
Replicator 2 (XY-Z)
Makerbot Replicator Z18 (XY-Z)
Makibox A6 (XY-Z)
Mark34 (XY-Z)
Mbot (XY-Z)
Mbot Grid II+
Mbot mini
Mojo (XY-Z)
MyRiwell rl200A (XY-Z)
Next Generation Series 1
Objet260 Connex (XY-Z)
Origo (XY-Z)
PonokoRepRap (XY-Z)
ProDesk (XY-Z)
Profi3DMaker (XY-Z)
ProtoForge 3D (XY-Z)
QU-BD Revolution (XY-Z)
QU-BD Revolution XL (XY-Z)
R-360 (YX-rotaryZ)
RapMan (XY-Z)
Sampo (XY-Z)
Shapercube 2.1 (XY-Z)
Sharebot (XY-Z)
Solidoodle
Solidoodle 2 (XY-Z)
Solidoodle 3 (XY-Z)
Solidoodle 4 (XY-Z)
Stratasys FDM 1650
Sumpod (XY-Z)
T-Rep 3 (XY-Z)
TangiBot (XY-Z)
Tantillus (XY-Z)
Thy3D (XY-Z)
Type A Machines (XY-Z)
Ultimaker
Ultimaker (XY-Z)
Ultimaker 2
Ultimaker XL (XY-Z)
Ultimeter (XY-Z)
Ultra-Bot (XY-Z)
UP! mini (XY-Z)
uPrint (XY-Z)
WillyBot (XY-Z)
Willybot MS (XY-Z)
Witbox (XY-Z)
X400 (XY-Z)
Zbot (XY-Z)
Zeus (XY-Z)
Zim (XY-Z)
Zortrax M200 (XY-Z)
XYZ head
3disonprinter (XY-Z)
GoCNC 3D printer (XYZ)
Mondrian (XYZ)
Portabee GO (XYZ)
QU-BD RPM 3D (XYZ)
TinyBoy (XYZ)
W.Afate (XYZ)
XZ head Y bed
1X2
1X2 Shortcat (XZ-Y)
1X2 Tallcat (XZ-Y)
3D kit F. (XZ-Y)
3DMonstr (XZ-Y)
3x HP 840c (XZ-Y)
Adapto (XZ-Y)
Airwolf 3D (XZ-Y)
Allstar (XY-Z)
Alu RepRap (XZ-Y)
Aluminatus TrinityOne (XZ-Y)
Batbot (XZ-Y)
Beiwagerl (XZ-Y)
Blade-1 (XZ-Y)
Buildatron II (XZ-Y)
Bukito (XZ-Y)
Bukobot (XZ-Y)
Burritob0t (XZ-Y)
CB-printer (XZ-Y)
Choc creator v1 (XZ-Y)
cREATOR (XZ-Y)
Eiffel (XZ-Y)
EZ3D (XZ-Y)
F3-prusa (XZ-Y)
Fabbster (XZ-Y)
Fablicator (XZ-Y)
FoldaRap (XZ-Y)
Galileo (XZ-Y)
Galileo Smart
Glacier Steel (XZ-Y)
Glider (XZ-Y)
H-1.1 (XZ-Y)
Hugo (XZ-Y)
J-Rev (XZ-Y)
Kentstrapper (XZ-Y)
Kikai (XZ-Y)
L5plus (XZ-Y)
Leapfrog
Leapfrog Creatr (XZ-Y)
Leapfrog Xeed (XZ-Y)
Lulzbot
Lulzbot AO-100 (XZ-Y)
Lulzbot AO-101 (XZ-Y)
LulzBot TAZ (XZ-Y)
M.O.B (XZ-Y)
Makerbot Replicator mini (XZ-Y)
Makergear
Makergear M2 (XZ-Y)
Mosaic (M1) (XZ-Y)
Maxit (XZ-Y)
Mendel
Mendel (XZ-Y)
Mendel Max 2.0 (XZ-Y)
Mendel90 (XZ-Y)
Metalbot 3 (XZ-Y)
Metamaquina (XZ-Y)
Metamáquina 2 (XZ-Y)
Mix G1 (XZ-Y)
Mr. Kim robotics (XZ-Y)
MSB (XZ-Y)
Orca (XZ-Y)
ORD
ORD Hardon (XZ-Y)
ORDbot 3D (XZ-Y)
PandaBot (XZ-Y)
Picaso 3d (XZ-Y)
PiMaker (XZ-R)
Portabee (XZ-Y)
Powerwasp (XZ-Y)
Printf.bot (XZ-Y)
Printrbot
Printrbot GO (XZ-Y)
Printrbot JR (XZ-Y)
Printrbot JR v2
Printrbot LC (XZ-Y)
Printrbot PLUS (XZ-Y)
Printrbot PLUS v2.1
Printrbot Simple (metal)
Printrbot Simple (XZ-Y)
PrismX (XZ-Y)
Prusa
Prusa Air 2 (XZ-Y)
Prusa I3 (XZ-Y)
Prusa I3 LC (XZ-Y)
Prusa i3 mini
Prusa Mendel (XZ-Y)
Prusa Mendel I2 (XZ-Y)
RapCraft (XZ-Y)
RapidBot
RapidBot 2.0 (XZ-Y)
RapidBot 3.0 (XZ-Y)
RapidBot Mega (XZ-Y)
RePlex (XZ-Y)
RepRap TK300 (XZ-Y)
RepRapPro
Huxley (XZ-Y)
Mono Mendel (XZ-Y)
Tricolour Mendel (XZ-Y)
RigidBot (XZ-Y)
Robo 3D (XZ-Y)
Rroofl (XZ-Y)
SaJa 3D (XZ-Y)
SCOOVO C170 (XZ-Y)
Shark (XZ-Y)
T-Rep 2 (XZ-Y)
Techzone Mondo (XZ-Y)
Tjiko Snap (XZ-Y)
Tobeca (XZ-Y)
Wallace (XZ-Y)
WhiteAnt (XZ-Y)
WolfStrap (XZ-Y)
Wooden Mendel (XZ-Y)
YesRap P2f (XZ-Y)
Zen Toolworks (XZ-Y)
ZMorph (XZ-Y)
Z head XY bed
2BEIGH3 (Z-XY)
3D-One (Z-XY)
3Drag (Z-XY)
Flashforge 3D
Adventurer II (Z-XY)
Adventurer III (Z-XY)
Creator (XY-Z)
Creator X
Grassroots (Z-XY)
Multirap L200, L204, L224, L234, L324 (Z-XY)
Multirap M420
Newton (Z-XY)
PopFab (Z-XY)
Uusi miniFactory v.2.0 (Z-XY)
Vader (Z-XY)
Velleman K8200 (Z-XY)
WeisTek WT-2 (Z-XY)
Zeni Kinetic Origin
Zinter pro
ZYYX
CNC cutters
Hydro
Othercutter
CNC milling
CNC routers
Bigblack01
CNC-mill
Creation Station
Delta CNC
Delta Router
DIYLILCNC 2.0
GoCNC
Handibot
Hexapod
iModela
M2
Mantis 9.1
MiniCNC
Momus CNC
Nomad 883
Personal mill
Powerwasp
Printrbot CNC
Shapeoko
Small Arduino CNC (GRBL)
Studiomill
Tron-cnc
UltiRouter
Valkyrie Reloaded
Zoltar
CNC software
LinuxCNC
Miniemc2
Cyclone PCB Factory
Festo iFab (Parallel-Delta)
Hexapod Robot CNC
Othermill
Personal Mill (Parallel-Delta)
PocketNC
Delta 3D printers
3DR
3DRmega
3DRnano
6-axis 3D Printer
Automated swapping of printheads
BigDelta
Cherry Pi II
Circulair delta howto
Delta robot calculator
Deltaprinters based on circular motion
AEMK DeltaBot
Bipotyco (Cir)
CSEM µ-Delta
Delta RepPrep (Cir)
Direct Drive Delta
Dogleg GDR
GUS Simpson
Rappidelta (Cir)
Rappidelta Jr.
Rob Hopeless (Cir)
Simpson
Volksrobot (Cir)
Yazzo PolyBot (Cir)
Deltaprinters based on parallel towers
Aluminatus Trident (Par)
Areostock (Par)
Atom
BerryBot3D (Par)
BI V2.0
Biohazard SERPENT
Ceramic delta
Cerberus (Par)
Cerberus Pup (Par)
COssel
d'Ultimaker (Par)
Delta maker (Par)
Delta-Pi (Par)
Delta-Six
Deltaprintr
Deltatower (Par)
DeltaTrix
DeltaWASP
Deltic3d
Gelta
Griffin
Helium Frog Delta (Par)
HotBot (Par)
Joshendy (Par)
Kossel (Par)
Kossel Clear
Kossel Mini (Par)
Kossel Pro (Par)
Kossel-T (Par)
KosselM
Lisa Simpson
MakerGear delta (Par)
MARbot
Metal Delta RepRap
Micro Delta
Nicolas Juguet's Delta
Open Delta Project
Opiliones delta
ORDbot Delta (Par)
Orion
Ostoc (Par)
OverLord
Printxel Delta (Par)
Quantum Delta (Par-bed)
Rostock (Par)
Rostock Anthony vh (Par)
Rostock by Drew (Par)
Rostock MAX (Par)
Rostock mini (Par)
Rostock Prisma (Par)
Spiderbot (Par)
Stratum Networks Delta
Sumpod Delta (Par)
Tripod (Par)
Wolfstock (Par)
Woodstock (Par)
ZeGo
μ delta
µDelta (Micro Delta)
DLT -180
Ebot D16
FirePick Delta
FLUX
FoldaRap Hotend
Genkei
Gigante
Griffen
Hexapod-tripod
Jager
JIETAI Delta Rostock mini
Kossel + Repetier calibration instruction
mebotics delta
mini Kossel calibration
Nectar One
OpenPnP RepRap tool changer
Parallel kinetics
PartDaddy
PRINTDEL 400
Rapide S
Servo based Delta
Servostock
TUKI
Wire suspended deltas
Flying SkyDelta
Sky printer (wire suspended)
SkyDelta (Wire suspended)
Wire suspended delta
Wire suspended delta
Wood3D
Electronics
3Dprocessor boards
createitreal
BeagleBone Cape's
BeBoPr Cape
Replicape
Breakout boards
BAM & DICE
Different RAMPS
DRV88xx
GRBL (Milling)
GrblShield (Milling)
LAOS (MBED)
LD2X Laser Driver Board
M-One board
RADDS
RAMPS
RAMPS electronics testing
RAMPS-FD (Arduino Due)
StepperShield
Chinese electronics
0--36V 3A DC-DC Digital Control Step-down Module Adjustable Buck Converter
5A Constant current constant voltage source with meter
AK4396 24BIT 192K DAC (DIY kit)
Loadcell + HX711
PAM8403 mini Class-D Amplifier
R-core transformer
SG3525 PWM Controller
Various Buck Converters
VGA signal generator
Datasheets
EPCOS - B57560G104F - THERMISTOR, 100K, 1%, NTC, RAD
Displays
Full Graphic Smart LCD Controller
PiBot for Repetier SD LCD Controller
RRW 20x4 display + controller
SainSmart 2004 Smart LCD Controller
SAV 3D LCD
Smart Controller LCD
Smart LCD Controller XXL
STB RepRap Graphic LCD Controller
ViKi LCD
ELFDRV3 (stepper driver)
ELFSHL1 (Stepper shield)
End stops
Extruder controllers
EMC2 Extruder Board
Gnexlab extruder controller
Fab in a box
FPGA
fpga4fun
FSR Endstop
How RC servos work
InkShield
Integrated Controller Boards
3D Master (2560)
3Drag controller
4π (SAM3U)
Allwinner
Itead A20 as control host
Atmega GRBL CNC Controller
Azteeg X1 (1284P)
Azteeg X3 (2560)
Azteeg X3 PRO
Baboi
Brainwave (AT90USB646)
Cheaptronic v1
D8 (AT90USB1286-AUR)
DGO (2560)
Duet (ATSAM3X8E)
Easy electronics
EBB (EiBotBoard)
Echinus (128A)
Elefu RA (2560)
Geeetech (AT90USB1286)
Generation 6 (644P)
Generation 7 (644P or 1284P)
HackCNC (2 Axis)
House4Hack GRBL laser controller
KOS (AT90USB)
Marlin-II
Megatronics 1.0 (2560)
Megatronics 2.0 (2560)
Megatronics 3.0
Melzi (644P)
Minitronics 1.0
Monotronics (644P)
OpenHardware.co.za Printer controller
Printrboard Rev.E (AT90USB)
Arduino for Printrboard
BootloaderCDC
R2C2 (LPC175x)
Rambo (2560)
RepRapPro Duet
RUMBA (2560)
Sanguinololu (644p)
Panelolu
Sanguish
SAV Mk I
Smoothieware (LPC 1769)
STB Electronics
Sunbeam (AT90USB1287)
Teensylu (AT90USB)
TinyG (192 / Milling)
Ultimaker electronics
Unique One
Xmega GRBL CNC Controller
XStepper
KANO
Kanthal A-1 heating wire
Laser
High power laser diodes
Laser Diode Driver
simple TTL modulated diode laser
LED light
MOTI (RC Servo)
Motor PWM controllers
2Tiny2Troller
OpenServo
Positional feedback
Prototyping Boards
Arduino
Arduino Nano v3
Crumbuino (2560)
Galago (LPC1313F)
Linino
MBED
Sanguino
Spark
Teensy
Stepper drivers
DRV8825
Easy Stepper
PiBot TOSHIBA6600
PlanetCNC motor driver
Pololu/Stepstick
POWERLOLU
Sanken SLA707xMPR unipolar controller
Setting Motor Current
Step Cheap Stepper motor Driver
StepperShield (Milling)
SureStepper
SureStepr SD82B
SureStepr SD8825
Thermal Conductive Heatsink Adhesive
Toshiba TB6560(A)HQ stepper
TriDuinoStepper
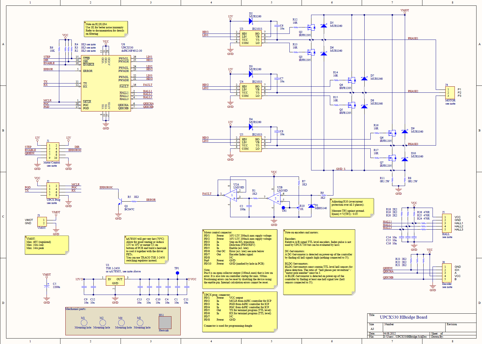
UPCX530 BLDC and DC Servomotor Positioning Controller
Laminators
Solido3D (Laminates)
Lasercutters
3dpBurner (GRBL)
Arduino Laser CNC Engraving Machine
BenBox
Darklylabs A3 Diode Laser
EYE PROTECTION
Frankenstein Laser Engraver
L-cheapo (laser module)
LaOS
Laser V
Lasergravierer
Lasersaur
MicroSlice
MicroSlice 2.0
MicroSlice V2.5
Mr. Beam
RAMPS1.4 Laser Upgrade
Reciprocating laser cutter
Setting up a CO2 cutter
Shapeoko 2, 8bit Laser Engraver
VisiCam
VisiCut
Manual 3D 'drawing' tools
3D Airpen
3Doodler
3Dsimo
3DYAYA
ACpen
Gather3d
Hotmelt 3D
Lixpen
MYRIWELL 3D Pen
SwissPen
Multiple Axis Printers
Contourcrafting
Mataerial
Sextupteron
Stone Spray
Other machines
3D painter
3D weaver
ATtiny AM transmitter
Automatons
Karakuri automata
Maillardet Automaton
Pierre Jaquet-Droz Automaton
BioPrinter
Bladeless fan
Book scanner
Brian Dorey's PnP (Pick n Place)
Brushless Gimbal Controller
Coil winders
$20 guitar pickup winder
CNCDudez Coil Winder
Coil winding machine
Mini coil winder
MRI Micro Coil Winder
Trifilar Coil Jig
Coin ATM's
Lamassu
Open Bitcoin ATM
Projectskyhook
Contraptor XY plotter
Cutting plotters
Craft ROBO Pro
CraftROBO
LIYU SC631
D.I.WireBender
Delta robot 3
Delta Walker
Egg-bot (EIBOT)
Electronics
Arduino shields
24 Ch Analog Expander
Controllino
Lantern: Free Data From Space
Open Solar BMS
eSherpa
Foam cutting
5-Minute Foam Factory
Homemade foam cutter
Hot Wire CNC
Hotwire foam cutter
rcfoamcutter
Garage Genie
Geoweaver
Ghost gunner
IKEA Tertial arm
Laminar Water Jet
Light Painting Machine
Measuring gear
AR-Oscilloscope
BitScope Micro
Red Pitaya
Mini CNC from CD-ROM parts
Mini CNC from floppy parts
Multifunctional machines
FirePick Delta
Nikon RC
OpenKnit
OpenPNP
OpenRC
OpenSource CT scanner
Pancakebot
Plot clock
Power Jacket
Print green
Printed Vehicle
Printing press
Printing tools
Filament diameter sensor
FUSE
R2B2 Pedal-powered all-in-one appliance
RC Servo based SCARA plotter
RC Servo Deltabots
ArduDelta (RC Servo)
Circuit monkey's delta frame (RC Servo)
Delta servo bot (RC Servo)
Enemygadgets Delta (RC Servo)
marginallyclever 3-arm delta (RC Servo)
R2B2 (RC Servo)
Robot-army delta (RC servo)
Sketchy (RC Servo)
redFrog (pick n place)
Reflow Hot Air Gun NC
RoboCut (lawnmower)
Robotic lawn mower
RotoMAAK
Sewing / knitting 3D
Silicon tentacle
Simple camera slider
Soldering Iron Driver
Solenoid Engine
Spot welder
Station for PTC based soldering irons
Steve Jackson's Meyl / Tesla scalar wave replica
Stickpainter
Sun cutter
Tattoo machine
ThinkPenguin TPE-NWIFIROUTER2
Timelapse (RC servo)
Toilet flushing automation
Transport
Hyrban (Open Car)
OpenWheels
OScar
TRS drawbot (RC servo based)
uArm
Ultimaker pick n place
Vacuum Dremel
Vertibot
Volo Stirling Engine
WaterColorBot
Webster (geometric pattern weaving)
Wire suspended 2D
DoodleBot GarabatoBOT (Ws2D)
Drawbot (Ws2D)
Drawbot 2 (Ws2D)
DrawbotOne
Frankenbotic Thinganator (Ws2D)
KeerBot
Kritzler (Ws2D)
Makelangelo 2
Polargraph (Ws2D)
XY-table
Polar printers
Blacksmith Genesis
BOA Polar
ChocaBite
Contourcrafting
Mechanical 3d printer
Polar 3D
Polar 3D printer
Polar design
Polarworks Alta
RepOlaRap
Powder printers
3Dpandoras
AdderFab (Powder-Wax-Jet)
CandyFab 6000 (Powder-Hot air)
D-shape (Powder)
Powder bed and inkjet
PWDR (Powder)
Solar Sinter (Powder)
Solidscape T76PLUS (Powder-Wax-Jet)
Recycling tools
Desktop Plastic Extrusion System for Everyone
DIY filament recycling
Ewe Filament Extruder
Extruder and Shredder concept
Filabot
FilaFab
FilaMaker
Filament extruder
Filamentextruder
Filapuller
Filastruder
Filawinder
Geared filament extruder
Jaak Lab Extruder
Lyman filament extruder II
oshw.it Filament extruder
Perpetual plastic project
printed LyMan
Reclaimer
Recyclebot
Strooder
Timelab Recycle-bot
SCARA printers
Armstrong A1
CNC Design SCARA
Delta SCARA
DexTAR : Five-bar reconfigurable parallel robot
Evil Monkey's SCARA printer
FLX.ARM.S16
HF06 SCARA Robot
Mecademic
Morgan
S-maker
Tuga
Wally
Selective Laser Sintering
Focus SLS
Powder based RepRap SLS
Sintratec
SLS wax printer (SLS)
Stereolithography printers
3DLPrint (SL)
3Dmicroprinter
Asiga Freeform Pico (SL)
B9 Creator (SL)
CloneJet MTD1815
DropLit
Formlabs Form 1 (SL)
iBox Nano
Ilios (SL)
Kevvox (SL)
LCD 3D Printer
Lightforge3D
LittleRP
LumiFold
LumiPocket
MakeX M-One
MiiCraft (SL)
mUVe 1 (SL)
Nautilus
Nova (SL)
OpenSL (SL)
OWL Nano
Peachyprinter
Pegasus Touch
Perfactory Micro
Portobello
ProDesk3D (SL ??? )
ProJet 1200
Robotfactory 3DLP (SL)
Roland ARM-10
Sedgwick (DLP)
sLAMPS
Solidator DLP
Solus
Solus
Uncia QS-1 DLP 3D
Uranus
XFAB
Tilt Printers
Tilt printer
Sitemap
Electronics
>
UPCX530 BLDC and DC Servomotor Positioning Controller
Pricerange:
$
00.00
http://www.vbesmens.de/en/positioning-controller.html
http://www.vbesmens.de/images/Videos/UPCX530.mov
http://www.vbesmens.de/images/Videos/UPCX530Linear.mov
http://www.vbesmens.de/en/positioning-controller/controller.html
http://www.microchip.com/stellent/idcplg?IdcService=SS_GET_PAGE&nodeId=1824&appnote=en021551